RAK19713 Mini PCIe Module for LoRa Datasheet
Overview
The RAK19713 Mini PCIe Module for LoRa is a compact LPWAN module based on the RAK4630. Designed for devices with Mini PCIe slots, it enables LoRa connectivity for long-range communication. It supports LoRaWAN, P2P, Meshtastic, and other LPWAN protocols.
The module provides USB, UART, and GPIO interfaces for flexible integration. It includes dual IPEX connectors for external antennas and supports a wide operating temperature range. These features enable integration into devices with Mini PCIe slots.
Features
- Standard mPCIe form factor
- Based on the RAK4630 (nRF52840 MCU + SX1262 LoRa radio)
- Supports LoRaWAN, P2P, Meshtastic
- USB for communication and flashing
- UART interface for MCU-level serial integration
- Multiple GPIOs available
- Dual IPEX antenna connectors
- J-Link debugging support
- Wide operating temperature range (-40 °C to +85 °C)
- Compact and lightweight design
Specifications
Overview
The overview presents the top and back views of the RAK19713 board along with the block diagram describing its internal components.
Board Overview
The RAK19713 is a compact Mini PCIe module for low-profile, high-performance LoRa integration. The top of the board hosts the RAK4630 module, providing both MCU and LoRa radio functions. It includes USB and UART interfaces for communication, programming, and debugging. The bottom side has an unpopulated J-Link interface for a 5-pin connector (RST, GND, CLK, DIO, 3V) usable with a J-Link or RAKDAP1.
Figure 1: RAK19713 top view with RAK4630 module
Figure 1: RAK19713 bottom view with J-Link interfaceBlock Diagram
The RAK19713 card integrates one RAK4630 module which represents the core of the device. This provides a Nordic nRF52840 microcontroller attached to a Semtech SX1262 radio. Additional signal conditioning circuitry is implemented for PCI Express Mini Card compliance, and two UFL connectors are available on the module itself for external antennas integration.
Figure 1: RAK19713 block diagramHardware
Pin Definition
Figure 1: RAK19713 pin definition| Type | Description |
|---|---|
| IO | Bidirectional |
| DI | Digital input |
| DO | Digital output |
| PI | Power input |
| PO | Power output |
| AI | Analog input |
| AO | Analog output |
| OC | Open collector |
| OD | Open drain |
| NC | No Connection |
| Pin Number | Mini PCIe Pin Rev. 2.0 | RAK19713 Pin | Type | Description |
|---|---|---|---|---|
| 1 | WAKE# | NC | DI | |
| 2 | 3.3Vaux | 3V3 | PI | |
| 3 | COEX1 | NC | DO | |
| 4 | GND | GND | ||
| 5 | COEX2 | NC | DO | |
| 6 | 1.5V | NC | ||
| 7 | CLKREQ# | NC | DI | |
| 8 | UIM_PWR | NC | PO | |
| 9 | GND | GND | ||
| 10 | UIM_DATA | NC | IO | |
| 11 | REFCLK- | NC | DI | |
| 12 | UIM_CLK | NC | DO | |
| 13 | REFCLK+ | IO3 | IO | General purpose IO (disable by removing R12, populate R11 instead to wire IO5) |
| 14 | UIM_RESET | NC | DO | |
| 15 | GND | GND | ||
| 16 | UIM_VPP | NC | DI | |
| 17 | RESERVED | NC | DO | |
| 18 | GND | GND | ||
| 19 | RESERVED | NC | (connect to IO1 via R13) | |
| 20 | W_DISABLE# | NC | DI | |
| 21 | GND | GND | ||
| 22 | PERST# | RESET | DI | Resets the RAK4630 MCU (disable by removing R15) |
| 23 | PERn0 | NC | DO | (connect to IO4 via R16) |
| 24 | 3.3Vaux | 3V3 | PI | |
| 25 | PERp0 | NC | DI | (connect to IO6 via R17) |
| 26 | GND | GND | ||
| 27 | GND | GND | ||
| 28 | 1.5V | NC | DO | |
| 29 | GND | GND | ||
| 30 | SMB_CLK | NC | OD | (connect to I2C1_SCL via R19) |
| 31 | PETn0 | NC | DI | UART2_RX (disable by removing R20) |
| 32 | SMB_DATA | NC | OD | (connect to I2C1_SDA via R21) |
| 33 | PETp0 | NC | DO | UART2_TX (disable by removing R22) |
| 34 | GND | GND | ||
| 35 | GND | GND | ||
| 36 | USB_D- | USB- | IO | |
| 37 | GND | GND | ||
| 38 | USB_D+ | USB+ | IO | |
| 39 | 3.3Vaux | 3V3 | PI | |
| 40 | GND | GND | ||
| 41 | 3.3Vaux | 3V3 | PI | |
| 42 | LED_WWAN# | NC | DO | |
| 43 | GND | GND | ||
| 44 | LED_WLAN# | NC | ||
| 45 | RESERVED | NC | DO | |
| 46 | LED_WPAN# | NC | DO | |
| 47 | RESERVED | NC | DO | |
| 48 | 1.5V | NC | PO | |
| 49 | RESERVED | NC | DI | |
| 50 | GND | GND | ||
| 51 | RESERVED | NC | DO | |
| 52 | 3.3Vaux | 3V3 | PI |
RF Characteristics
To check the RF characteristics and operating frequencies of the RAK19713, refer to the RAK4630 RF Characteristics.
Electrical Characteristics
Operation and Storage Temperatures
The operation and storage temperatures of the module are listed in the following table:
| Parameter | Minimum | Maximum | Unit |
|---|---|---|---|
| Extended Temperature Range | -40 | +85 | ºC |
| Storage Temperature Range | -40 | +90 | ºC |
Current Consumption
To know the power consumption of the RAK19713, refer to the RAK4630 Power Consumption.
Mechanical Characteristics
The board weighs 6 grams, with a length of 51 mm and a width of 30 mm. Its dimensions comply with the PCI Express Mini Card Electromechanical Specification, except for the thickness of 4.2 mm due to the RAK4630 module itself.
Figure 1: RAK19713 board dimensionsSchematic Diagram
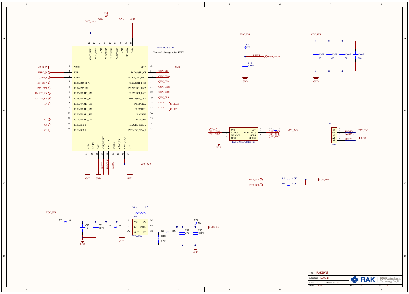
The images below show RAK19713's PCIe interface schematic.
Figure 1: RAK19713 schematic diagram - Page 1
Figure 1: RAK19713 schematic diagram - Page 2Firmware
For firmware details, see the RAK19713 Firmware & Flashing section, including instructions on how to flash it.
